|
|
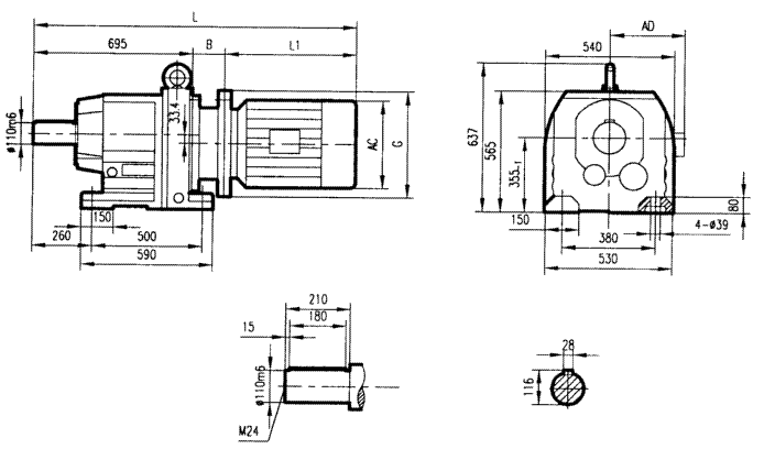
| 當前位置:減速機首頁 >> 產品大全 >> 減速電機 >> GR系列斜齒輪減速電機 >> GR147系列斜齒輪減速電機安裝結構尺寸 |
![]() |
| 關于我們 - 聯(lián)系方式 - 版權聲明 - 本站宗旨 - 網站地圖 - 廣告服務 - 幫助中心 - 設為首頁 - 加入收藏 |
|
全國服務熱線:13552592001
E-mail:jiansuji001@163.com Copyright © 2010-2019 By 減速機信息網 All Rights Reserved. |