微信:
GK系列斜齒輪-弧齒錐齒輪減速電機的產品簡介使用范圍
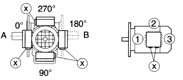
GK系列斜齒輪弧齒錐齒輪減速電機安裝形式圖例
各種安裝形式定義為:
GK系列斜齒輪弧齒錐齒輪減速電機安裝形式圖1
GK37-157/GKAB47-107
GK系列斜齒輪弧齒錐齒輪減速電機安裝形式圖
GKF/GKAF37-157
GKAT/GKA37-157
GK系列斜齒輪弧齒錐齒輪減速電機型號表示法及型號示例
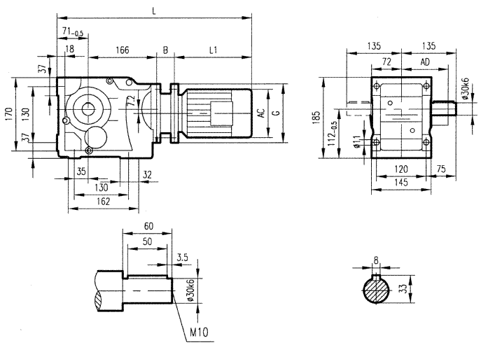
GK47型斜齒輪弧齒錐齒輪減速電機安裝結構圖尺寸
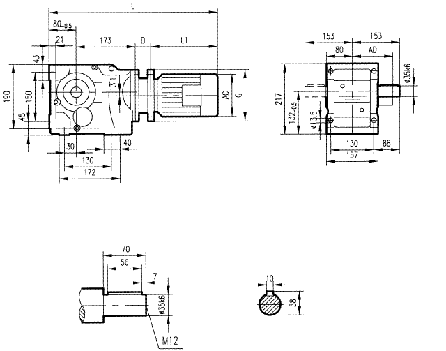
GK57型斜齒輪弧齒錐齒輪減速電機安裝結構圖尺寸
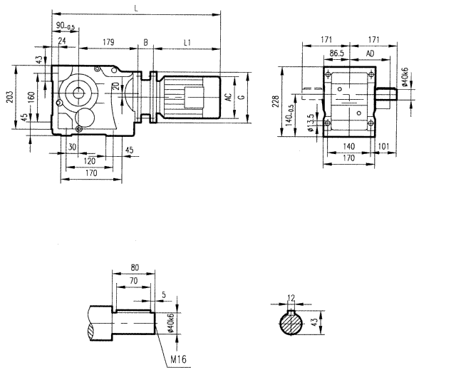
GK67型斜齒輪弧齒錐齒輪減速電機安裝結構圖尺寸
天津市天晟峰傳動機械有限公司
電話:022-82958115 傳真:022-82958155 地址:天津市京濱工業(yè)園區(qū)京濱大道
減速機 減速機超市 Reducer - Gearbox