Product list產品列表
Customer service在線客服
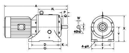
產品展示

|
出力軸尺寸 | |||||
|
出力軸 |
鍵槽 |
鍵 | |||
|
Sh6 |
P |
W |
T |
Q |
SPEC' |
|
∮25 |
45 |
7 |
28 |
40 |
7*7*40 |
|
∮30 |
55 |
7 |
33 |
50 |
7*7*50 |
|
∮35 |
60 |
10 |
38.5 |
55 |
10*8*55 |
|
∮40 |
65 |
10 |
43.5 |
60 |
10*8*60 |
|
∮45 |
70 |
12 |
48.5 |
65 |
12*8*70 |
|
∮50 |
80 |
12 |
53.5 |
75 |
12*8*80 |
|
∮55 |
85 |
15 |
60 |
80 |
15*10*85 |
|
∮65 |
95 |
18 |
71 |
90 |
18*12*95 |
|
∮75 |
100 |
20 |
81 |
95 |
20*13*100 |
|
∮90 |
115 |
24 |
98 |
110 |
24*16*115 |
|
∮100 |
130 |
28 |
109 |
125 |
28*18*130 |
|
∮115 |
150 |
28 |
124 |
145 |
28*18*150 |
|
∮125 |
180 |
32 |
135 |
175 |
32*20*175 |
|
減速比 |
馬力 |
型號(S) |
A |
AL |
D |
E |
F |
G |
H |
K |
L |
M |
X |
Y |
Z | |
|
4P |
6P | |||||||||||||||
|
1/5 ~ 1/20 |
1/4 |
|
25 |
283 |
183 |
150 |
140 |
180 |
180 |
11 |
65 |
18 |
144 |
195 |
110 |
123 |
|
1/2 |
1/4 |
25 |
415 |
183 |
150 |
140 |
180 |
180 |
11 |
65 |
18 |
162 |
195 |
110 |
133 | |
|
1 |
1/2 |
30 |
488 |
221 |
180 |
150 |
210 |
210 |
11 |
75 |
20 |
177 |
219 |
120 |
144 | |
|
2 |
1 |
35 |
553 |
242 |
200 |
170 |
230 |
230 |
13 |
80 |
21 |
200 |
238 |
130 |
157 | |
|
3 |
2 |
40 |
616 |
273 |
230 |
200 |
265 |
265 |
13 |
87.5 |
22 |
219 |
264 |
140 |
180 | |
|
5 |
3 |
45 |
645 |
296 |
250 |
220 |
285 |
285 |
15 |
92.5 |
24 |
235 |
293 |
160 |
189 | |
|
7.5 |
5 |
50 |
742 |
334 |
280 |
250 |
320 |
320 |
15 |
105 |
26 |
273 |
325 |
180 |
224 | |
|
10 |
7.5 |
55 |
823 |
376 |
320 |
290 |
370 |
370 |
18 |
115 |
27 |
273 |
385 |
213 |
224 | |
|
15 |
10 |
65 |
942 |
415 |
350 |
320 |
410 |
410 |
18 |
130 |
30 |
334 |
430 |
240 |
263 | |
|
20 |
15 |
75 |
1014 |
443 |
370 |
340 |
440 |
440 |
21 |
140 |
32 |
334 |
470 |
265 |
263 | |
|
30 |
20 |
90 |
1112 |
496 |
420 |
390 |
490 |
490 |
21 |
155 |
36 |
382 |
520 |
290 |
305 | |
|
40 |
30 |
100 |
1272 |
545 |
460 |
420 |
540 |
540 |
24 |
175 |
42 |
382 |
580 |
325 |
305 | |
|
50 |
40 |
115 |
1338 |
605 |
510 |
470 |
600 |
600 |
24 |
200 |
42 |
420 |
645 |
360 |
341 | |
|
1/21 ~ 1/30 |
1/4 |
|
25 |
383 |
183 |
150 |
140 |
180 |
180 |
11 |
65 |
18 |
144 |
195 |
110 |
123 |
|
1/2 |
1/4 |
25 |
415 |
183 |
150 |
140 |
180 |
180 |
11 |
65 |
18 |
162 |
195 |
110 |
133 | |
|
1 |
1/2 |
35 |
509 |
242 |
200 |
170 |
230 |
230 |
13 |
80 |
21 |
177 |
238 |
130 |
144 | |
|
2 |
1 |
40 |
591 |
280 |
230 |
200 |
265 |
265 |
13 |
87.5 |
22 |
200 |
264 |
140 |
157 | |
|
3 |
2 |
45 |
639 |
296 |
250 |
220 |
285 |
285 |
15 |
92.5 |
24 |
219 |
293 |
160 |
180 | |
|
5 |
3 |
50 |
700 |
342 |
280 |
250 |
320 |
320 |
15 |
105 |
26 |
235 |
325 |
180 |
189 | |
|
7.5 |
5 |
55 |
784 |
376 |
320 |
290 |
370 |
370 |
185 |
115 |
27 |
273 |
385 |
213 |
224 | |
|
10 |
7.5 |
65 |
871 |
424 |
350 |
320 |
410 |
410 |
18 |
130 |
30 |
373 |
430 |
240 |
224 | |
|
15 |
10 |
75 |
970 |
443 |
370 |
340 |
440 |
440 |
21 |
140 |
32 |
334 |
470 |
265 |
263 | |
|
20 |
15 |
90 |
1077 |
506 |
420 |
390 |
490 |
490 |
21 |
155 |
36 |
334 |
520 |
290 |
363 | |
|
30 |
20 |
100 |
1161 |
545 |
460 |
420 |
540 |
540 |
24 |
175 |
42 |
382 |
580 |
325 |
305 | |
|
40 |
30 |
115 |
1344 |
617 |
510 |
470 |
600 |
600 |
24 |
200 |
42 |
382 |
645 |
360 |
305 | |
|
50 |
40 |
125 |
1418 |
685 |
580 |
550 |
680 |
680 |
28 |
235 |
42 |
420 |
720 |
405 |
341 | |
|
1/40 ~ 1/60 |
1/4 |
|
25 |
397 |
197 |
150 |
140 |
180 |
180 |
11 |
65 |
18 |
144 |
195 |
110 |
123 |
|
1/2 |
1/4 |
25 |
429 |
197 |
150 |
140 |
180 |
180 |
11 |
65 |
18 |
162 |
195 |
110 |
133 | |
|
1 |
1/2 |
35 |
529 |
262 |
200 |
170 |
230 |
230 |
13 |
80 |
21 |
177 |
238 |
130 |
144 | |
|
2 |
1 |
40 |
606 |
295 |
230 |
200 |
265 |
265 |
13 |
87.5 |
22 |
200 |
264 |
140 |
157 | |
|
3 |
2 |
45 |
663 |
320 |
250 |
220 |
285 |
285 |
15 |
92.5 |
24 |
219 |
293 |
160 |
180 | |
|
5 |
3 |
50 |
718 |
360 |
280 |
250 |
320 |
320 |
15 |
105 |
26 |
235 |
325 |
180 |
189 | |
|
7.5 |
5 |
55 |
812 |
404 |
320 |
290 |
370 |
370 |
18 |
115 |
27 |
273 |
385 |
213 |
224 | |
|
10 |
7.5 |
65 |
892 |
445 |
350 |
320 |
410 |
410 |
18 |
130 |
30 |
373 |
430 |
240 |
224 | |
|
15 |
10 |
75 |
1002 |
475 |
370 |
340 |
440 |
440 |
21 |
140 |
32 |
334 |
470 |
265 |
263 | |
|
20 |
15 |
90 |
1101 |
530 |
420 |
390 |
490 |
490 |
21 |
155 |
36 |
334 |
520 |
290 |
363 | |
|
30 |
20 |
100 |
1201 |
585 |
460 |
420 |
540 |
540 |
24 |
175 |
42 |
382 |
580 |
325 |
305 | |
|
40 |
30 |
115 |
1382 |
655 |
510 |
470 |
600 |
600 |
24 |
200 |
42 |
382 |
645 |
360 |
305 | |
|
50 |
40 |
125 |
1478 |
745 |
580 |
550 |
680 |
680 |
28 |
235 |
42 |
420 |
720 |
405 |
341 | |
| 頁次:1/1 每頁10條 共1條信息 分頁:[1] |
