微信:
GKA77型斜齒輪弧齒錐齒輪減速電機安裝結(jié)構(gòu)圖尺寸
GKA87型斜齒輪弧齒錐齒輪減速電機安裝結(jié)構(gòu)圖尺寸
GKA97型斜齒輪弧齒錐齒輪減速電機安裝結(jié)構(gòu)圖尺寸
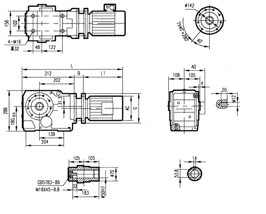
GK107型斜齒輪弧齒錐齒輪減速電機安裝結(jié)構(gòu)圖尺寸
GKA127型斜齒輪弧齒錐齒輪減速電機安裝結(jié)構(gòu)圖尺寸
GKA157型斜齒輪弧齒錐齒輪減速電機安裝結(jié)構(gòu)圖尺寸
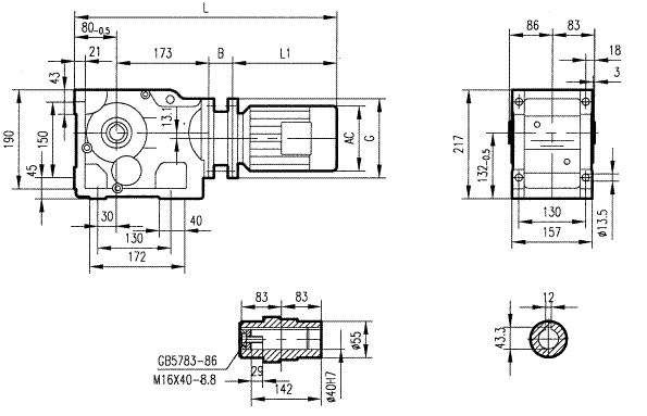
GKAB47型斜齒輪弧齒錐齒輪減速電機安裝結(jié)構(gòu)圖尺寸
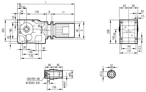
GKAB57型斜齒輪弧齒錐齒輪減速電機安裝結(jié)構(gòu)圖尺寸
GKAB67型斜齒輪弧齒錐齒輪減速電機安裝結(jié)構(gòu)圖尺寸
青島擺線減速機制造有限公司
電話:0532-82151866 傳真:0532-82151666 地址:青島黃島區(qū)六汪工業(yè)園豐臺路1號
減速機 減速機超市 Reducer - Gearbox