微信:
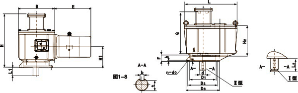
LFY型兩級立式法蘭式硬齒面減速機外形尺寸
上虞德立齒輪減速電機有限公司
電話:0575-82569398 傳真:0575-82569638 地址:浙江省上虞市東關街道建東西路
減速機 減速機超市 Reducer - Gearbox